S Series Servo Motor Injection Molding Machine

160T Hot Sale 325grams Injection Molding Machine(SSF1600-S)

high quality
160T Hot Sale 325grams Injection Molding Machine(SSF1600-S)

Description

Download

Reviews

Shuangsheng is the top injection molding machine manufacturer in China. It has been providing manufacturing and customized injection molding machine services to customers worldwide. The clamping force of the injection molding machine provided by our servo system ranges from 32T to 480T.

Features of Our Servo Injection Molding Machine

  • Double cylinder balanced injection system;
  • Multi-stage pressure &speed injection;
  • Back pressure adjustment device;
  • Low-pressure mould protection;
  • Single hydraulic core pulling and inserting;
  • Multiple hydraulic ejector knock-out;
  • Mechanical, electrical safety device;
  • Auto lubrication system;
  • Hydraulic pressure full proportional control;
  • Computer control system;
  • Molding data memory system;
  • Automatic mould adjust function;
  • Energy-saving with servo motor;

Parameters of 1600kn Injection Plastic Machine As Below

 SSF1600-S Parameters
Items Parameter Unit SSF1600-S
Injection Unit Screw diameter  mm A B C
42 45 50
Screw L/D ratio L/D 23 21.5 19.4
Shot volume(theoretical) Cm3 311 357 441
Injection weight(PS) g 283 325 402
Oz 10 11.5 14.2
Injection pressure Mpa 216 188 152
Clamping unit Clamp force KN 1600
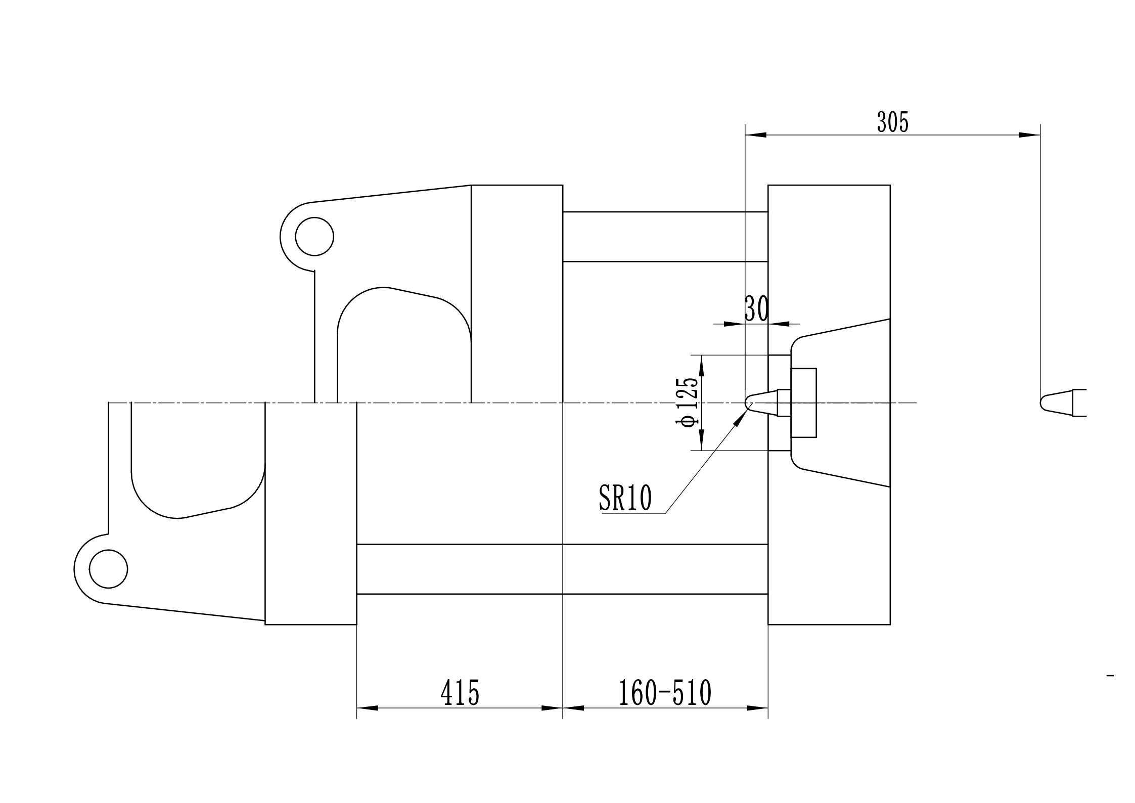
Open stroke mm 415
Distance between tie bars (W*H) mm 460*430
Max mould thickness mm 510
Min mould thickness mm 160
Ejector stroke mm 130
Ejector force KN 45
Ejector number PC 5
Dia of mould location hole mm 125
Others Servo motor power KW 20.5
Heating power KW 12
Machine dimension(L*W*H) m 4.7*1.4*2.0
Machine weight T 4.9
Oil tank capacity L 250
Notes:
(1)Theoretical injection volume=screw diameter×screw stroke;
(2)Actual injection weight is 91% of the theoretical volume;
(3)All the data is PS values.
Remark: Above-mentioned technical parameters are all theoretical values in 50HZ operation state. The technical parameters are subject to change for technical improvement without notice.

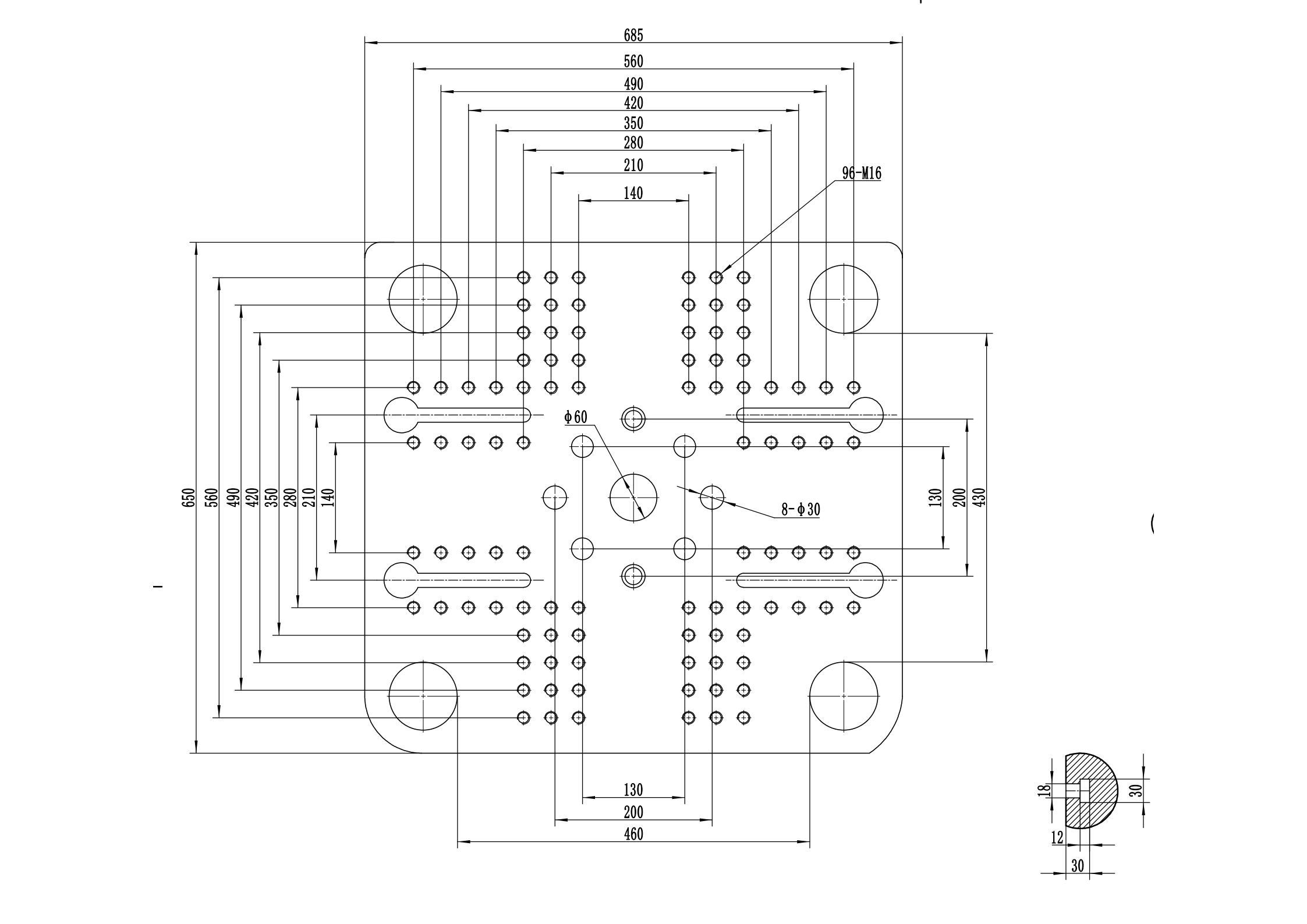
Mold Platen Drawing

SSF1500-S
SSF1500-S

Parts That Can Be Produced

Customized injection molding machine solutions for you now

SSF1500-S injection molding machines, with energy saving features, applies to the injection molding process of various kinds of thermoplastics.

 

Advantages of servo motor

1. There is no extra energy consumption due to output volume changes according to load alteration. In the phase of holding pressure, servo motor lowers rotate speed and consumes a little of energies. In the phase of cooling, motor doesn’t work and consumes no energy. According to different products, servo energy saving injection molding machines will save 20%~80% energy and bring you prominent economic benefit.

2.High precision, high response: The pressure sensor and rotary encoder with high precision and high sensitivity achieve pressure, flow closed-loop control, allowing the repeat precision error to be less than 1%. It only takes 0.05 second to reach the largest output power.

3.Save the cooling water: No constant flow pump and speed set motor overflow heating. When the temperature of hydraulic oil is lower, the cooling water is greatly reduced.

4.Super energy saving: Compared with variable pump system, it can save 40% of the power. Compared with constant flow pump and fixed speed motor. It can save 60% of the power.(Different kinds of products have different energy saving effects.

5.Low noise: The noise is below 78db. Servo motor has almost no noise when no movement of machine.

Share your thoughts with us today!   Showing 6 of 0 reviews
Most recent
Top Reviews
Read more
Your rating
Your review *
Name *
Enter your Name
Email *
Enter your Email
Upload Image
Notice: Ensure your image is no larger than 200KB before uploading.
Submit
Contact Us Now
Enter your inquiry details, We will reply you in 24 hours.
Name can't be empty
E-mail can't be empty
Company can't be empty
Phone can't be empty
Phone
Products can't be empty
Products you want
Message can't be empty
Verification code error
code
Clear
Concact Us Now
Plastic Injection Molding Machine | Injection Molding Machine Manufacturers - SS Machinery
No.91 Mingke Road,Yinzhou Industrial Zone,Jiangshan Town,Yinzhou Area,Ningbo,China
You can trust us
Focus on Injection Molding Machine Quality and Service Strive to Create Max Value to Customers
Contact Us
© 2026 NINGBO SHUANGSHENG PLASTIC MACHINERY CO.,LTD.        SiteMap.html    SiteMap.xml    Terms of Service      Privacy Policy
Marketing Support by Globalsir
Enter your inquiry details, We will reply you in 24 hours.
Name can't be empty
E-mail can't be empty
Company can't be empty
Phone can't be empty
Products can't be empty
Message can't be empty
Verification code error
code
Clear